| 产地 |
江苏常州
|
是否进口 |
否
|
品牌 |
爱多
|
| 货号 |
001
|
金属涂料分类 |
丙烯酸烘漆
|
颜色 |
各色
|
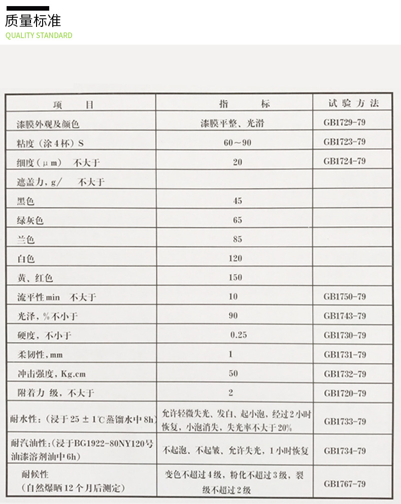
| 干燥时间≤ |
2(h)
|
耐水性 |
失光率不超20%
|
保质期 |
12(个月)
|
| 功能 |
涂料
|
用途范围 |
广泛应用于金属类
|
特色服务 |
可咨询客服
|



















